Willkommen im GEMA Shop – Ihrem Experten für Heizungs-, Solar- und Sanitärtechnik seit 1991. Wir beraten Sie persönlich und bieten technische Lösungen, die wirklich funktionieren.
  • schneller Versand

  • Kostenlose Hilfe und Beratung

  • 7 Tage die Woche geöffnet

+49 (0)39262 8787 - 20/21/23/12 *** verkauf@gema-net.de *** WhatsApp. +49(0)17660429928

Caleffi  |  SKU: CUV34100

Differenzdruck-Überströmventil

Name: CALEFFI S.p.a.

Adresse: S.R. 229, n. 25, 28010 Fontaneto d'Agogna (NO) Italy

E-Mail: info@caleffi.com

Webseite: https://www.caleffi.com/de-de

Europäischer Hersteller: Ja

Normaler Preis 33,30 €
inkl. MwSt. Versand wird beim Checkout berechnet.


Lieferung und Versand

„🚚 Speditionsversand: ab 79 € (DE) 2-5 Werktage“
„📦 Paketversand: ab 6,90 € (DE) 1- 3 Werktage“

„🚚 Speditionsversand: ab 120 € (EU) 3-7 Werktage“
„📦 Paketversand: ab 13,90 € (EU) 2 -4 Werktage“

„ℹ️ Versandkosten werden im Checkout final berechnet.“

Beschreibung

Differenzdruck-Überströmventil — einstellbar mit Skala

Technische Daten

Maximaler Arbeitsdruck: 10 bar. Mittlerer Temperaturbereich: 0–100 °C. Maximaler Glykolanteil: 30 %. Medium: Wasser und Glykollösungen.

Funktion

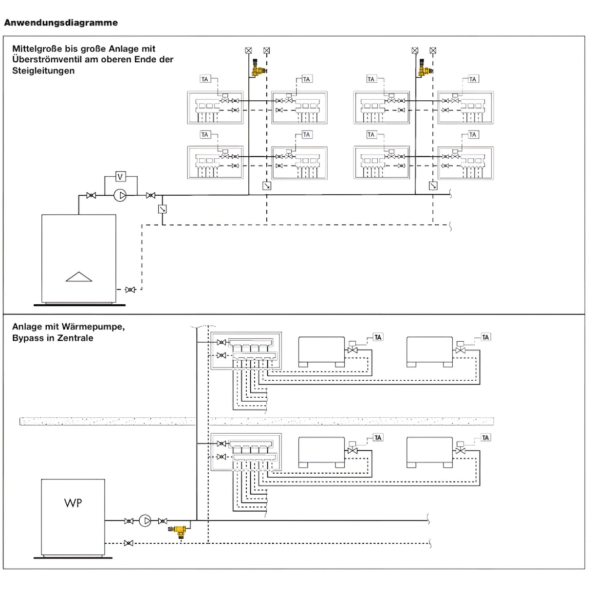
Das Differenzdruck-Überströmventil sorgt für eine geregelte Rückführung von Durchflussmengen in Anlagen mit wechselnden Verbraucherzuständen. Es begrenzt den von der Pumpe erzeugten Differenzdruck und führt überschüssiges Volumen proportional zur Anzahl der geschlossenen Verbraucher zurück.

Besonders in Systemen mit Wärmepumpen oder drehzahlgeregelten Zirkulationspumpen sichert das Ventil den erforderlichen Mindestdurchfluss, der für den korrekten Betrieb der Maschine und zur Vermeidung von Störungen und Überhitzung notwendig ist.

Einstellbarkeit und Bedienung

Die stufenlose Einstellung über die sichtbare Skala erlaubt eine präzise Anpassung an die berechneten Druckverhältnisse der Anlage. Während der Inbetriebnahme sollte die Einstellung anhand der Pumpenkennlinie und der gewünschten Differenzdruckgrenze vorgenommen werden.

Feinjustierung während des Betriebs ermöglicht die Optimierung des Systemverhaltens bei wechselnden Lasten; protokollieren Sie Einstellungen für spätere Kontrollmessungen.

Vorteile

Schutz der Pumpe und der Regelorgane durch Begrenzung des maximalen Differenzdrucks, verringerte Geräuschentwicklung und längere Lebensdauer der Anlage. Stabilere hydraulische Verhältnisse verbessern Regelverhalten und Effizienz.

Montage- und Wartungshinweise

Das Ventil sollte in geeigneter Position in der Rücklaufleitung montiert werden, zugänglich für Kontrolle und Einstellung. Ein Schmutzfänger vor dem Ventil erhöht die Betriebssicherheit und reduziert Verschleiß.

Regelmäßige Sicht- und Funktionsprüfungen sowie die Kontrolle des Glykolanteils und der Dichtungen werden empfohlen. Bei Frostgefahr sind geeignete Schutzmaßnahmen zu treffen.

Anwendungsbereiche

Geeignet für Heiz-, Kühl- und Wärmepumpenanlagen mit variablen Durchflüssen. Besonders sinnvoll in Systemen mit mehreren Verbrauchern, Stellantrieben oder drehzahlgeregelten Pumpen, um Mindestdurchfluss und Druckbegrenzung sicherzustellen.

Technische Daten

  • Maximaler Arbeitsdruck: 10 bar
  • Mittlerer Temperaturbereich: 0–100 °C
  • Maximaler Glykolanteil: 30 %
  • Mittel: Wasser, Glykollösungen
  • Einstellung: 10–60 kPa (1–6 m w.s.)
  • Anschlüsse:
    • 3/4” IG (ISO 228-1) für AG mit Verschraubung

Zahlung & Sicherheit

Zahlungsmöglichkeiten

  • American Express
  • Apple Pay
  • Bancontact
  • BLIK
  • EPS
  • Google Pay
  • iDEAL
  • Klarna
  • Maestro
  • Mastercard
  • MobilePay
  • PayPal
  • Przelewy24
  • Shop Pay
  • Union Pay
  • Visa

Ihre Zahlungsinformationen werden sicher verarbeitet. Wir speichern keine Kreditkartendaten und haben keinen Zugriff auf Ihre Kreditkarteninformationen.

Kontaktieren Sie uns